bonjour,
je reviens vers vous tardivement, quelques petits soucis à régler.
En réalité quand j'accélère le balancier et la flèche fonctionnent au ralenti mais avec des vibrations comme des coups de bélier par contre quand j'actionne la benne preneuse elle fonctionne normalement. En démontant les tôles de protections des tuyaux d'alimentation des moteurs de translation après avoir enlevé 3 brouettes de terre j'ai un tuyau d'alimentation du moteur qui est percé, est ce que je peux réparer la fuite en brasant ou faut il le remplacer, parce que démonter les vis BTR pourries des tôles de protection bonjour, enfin c'est fait.
Mais pour mon problème d'hydraulique j'en suis au même point.
Merci par avance pour ceux qui pourront éclairer ma lanterne dont la lumière vacille.
Poclain 81CK
Bonjour à tous,
je reviens vers vous toujours en galère et pelle en panne, j'ai changé tous les filtres hydrauliques mais je n'ai plus de puissance: flèche, balancier, la rotation de la tourelle fonctionne et parfois est faible, les mouvement de chenilles manquent de puissance, sur la plaque d'entrée du distributeur d'équipements j'ai pris la pression, au ralenti légèrement accéléré j'ai 100/120 bars, et en accélérant presque au maximum j'ai 200 bars mais par saccades la flèche ne bouge pratiquement plus ou avec des mouvements très lents mais il faut que je rentre complètement le balancier; La benne preneuse fonctionne.
Quelqu'un a t il une idée de l'origine de mon problème parce que là sincèrement j'ai une petite baisse de moral.
Bonne journée à tous.
je reviens vers vous toujours en galère et pelle en panne, j'ai changé tous les filtres hydrauliques mais je n'ai plus de puissance: flèche, balancier, la rotation de la tourelle fonctionne et parfois est faible, les mouvement de chenilles manquent de puissance, sur la plaque d'entrée du distributeur d'équipements j'ai pris la pression, au ralenti légèrement accéléré j'ai 100/120 bars, et en accélérant presque au maximum j'ai 200 bars mais par saccades la flèche ne bouge pratiquement plus ou avec des mouvements très lents mais il faut que je rentre complètement le balancier; La benne preneuse fonctionne.
Quelqu'un a t il une idée de l'origine de mon problème parce que là sincèrement j'ai une petite baisse de moral.
Bonne journée à tous.
Merci Fred,
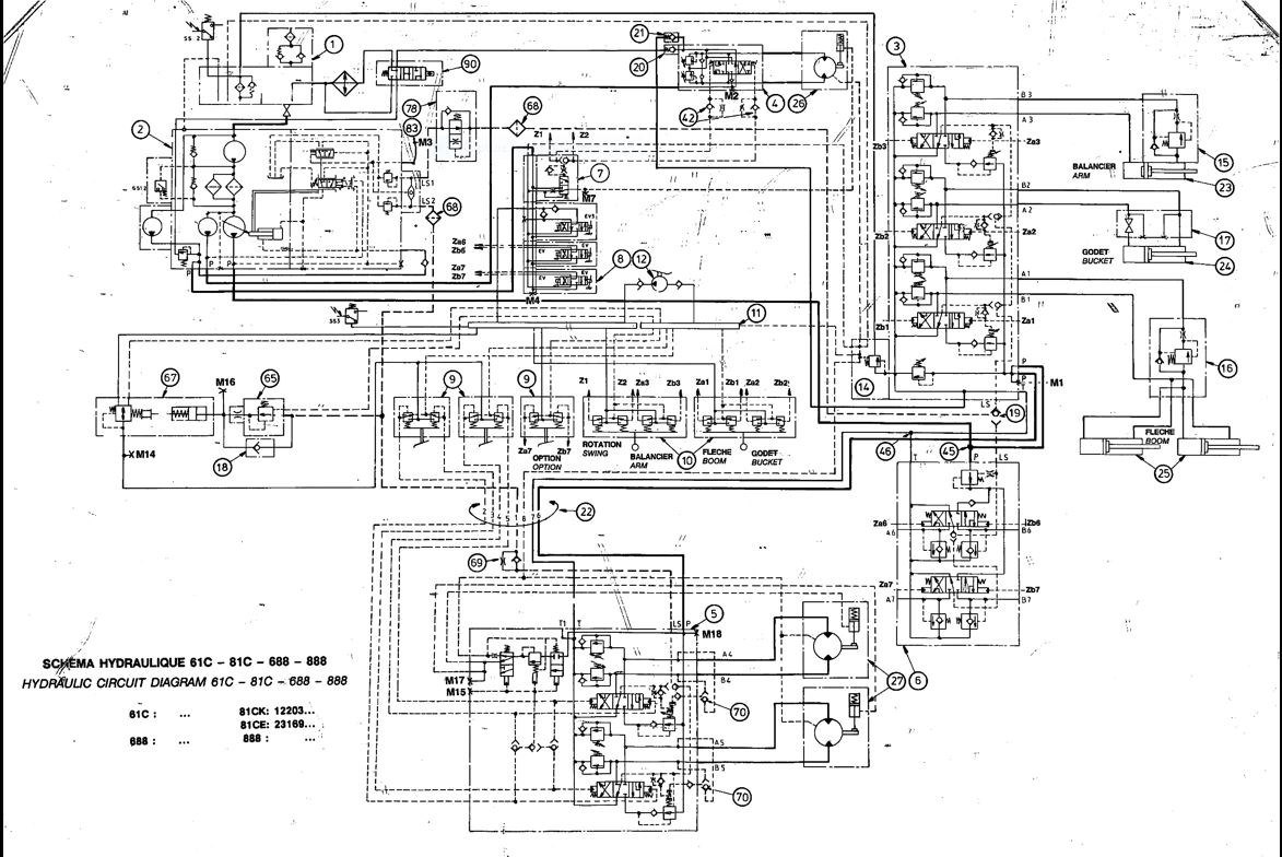
Hier j'ai trouvé une prise de pression en prise directe sur la pompe principale, mais il faut que je récupère un mano avec un embout poclain, il y a aussi un filtre hydraulique à cartouche à côté de l'échappement au démontage il y avait même des petit grains de sable dedans il n'a jamais dû être remplacé, je vais prendre des photos de tout ça et des schémas et les poster.
Bonne journée.
Hier j'ai trouvé une prise de pression en prise directe sur la pompe principale, mais il faut que je récupère un mano avec un embout poclain, il y a aussi un filtre hydraulique à cartouche à côté de l'échappement au démontage il y avait même des petit grains de sable dedans il n'a jamais dû être remplacé, je vais prendre des photos de tout ça et des schémas et les poster.
Bonne journée.
.
- Fichiers joints
-
- Capture1000000-.JPG (200.7 Kio) Vu 10094 fois
-
- Capture1000001-.JPG (190.12 Kio) Vu 10094 fois
-
- Capture10000000.JPG (190.17 Kio) Vu 10094 fois
-
- Capture10000000-.JPG (186.97 Kio) Vu 10094 fois
-
- Capture100000002.JPG (192.11 Kio) Vu 10094 fois
Bonjour,
Merci à NIALCOP pour les schémas, et à Fred pour le conseil, je vais isoler le joint tournant après la prise de pression directe à la pompe, mais si c'est le joint j'ai un peu les boules, on a hésité à le refaire lors de la dépose de la tourelle, si c'est lui c'est une grosse punition, mais bon, je vous tiens informés des opérations et encore merci .
Merci à NIALCOP pour les schémas, et à Fred pour le conseil, je vais isoler le joint tournant après la prise de pression directe à la pompe, mais si c'est le joint j'ai un peu les boules, on a hésité à le refaire lors de la dépose de la tourelle, si c'est lui c'est une grosse punition, mais bon, je vous tiens informés des opérations et encore merci .
-
le terrassier
- Messages : 9
- Enregistré le : lun. avr. 20, 2020 7:28 am
- Localisation : haut var
Bonjour l équipe , j avais un pb similaire sur ma 81 a pneus et j ai découvert qu'il y a une purge a faire sur le moteur de rotation et il y a des prises de pression sur tous les distributeurs ; pour ma part les pressions avoisinent les 400 bars .
Si jamais ca peut aider .
Si jamais ca peut aider .
Bonjour à tous,
prise de pression à la sortie de pompe moteur accéléré 100 bars avec manipulation des joysticks 150 bars maxi, pour ma pompe c'est une HPR LINDE le problème viendrait du barillet piston en bronze d'après un spécialiste ça serait le problème de ces pompes. On a vidangé le réservoir et on va déposer la pompe pour un test.
Existe t il plusieurs modèles de pompe pour une 81CK, et question relevant du miracle quelqu'un aurait il une pompe au fond d'un tiroir, on nous annonce 2500€ HT pour une remise en état.
Qu'en pensez vous
Bonne journée.
prise de pression à la sortie de pompe moteur accéléré 100 bars avec manipulation des joysticks 150 bars maxi, pour ma pompe c'est une HPR LINDE le problème viendrait du barillet piston en bronze d'après un spécialiste ça serait le problème de ces pompes. On a vidangé le réservoir et on va déposer la pompe pour un test.
Existe t il plusieurs modèles de pompe pour une 81CK, et question relevant du miracle quelqu'un aurait il une pompe au fond d'un tiroir, on nous annonce 2500€ HT pour une remise en état.
Qu'en pensez vous
Bonne journée.
-
- Informations
-
Qui est en ligne
Utilisateurs parcourant ce forum : Aucun utilisateur enregistré et 3 invités


