Bonjour,
j'ai remplacé ma pompe, la puissance lors de l'utilisation des vérins était de 200 bars, en serrant les deux vis 105 et 106 du bloc de régulation j'arrive à 300 bars, mais lorsque je force sur les vérins le moteur a du mal à suivre et aurait presque tendance à caler. il y a t il un un autre réglage.
Merci par avance de vos réponses.
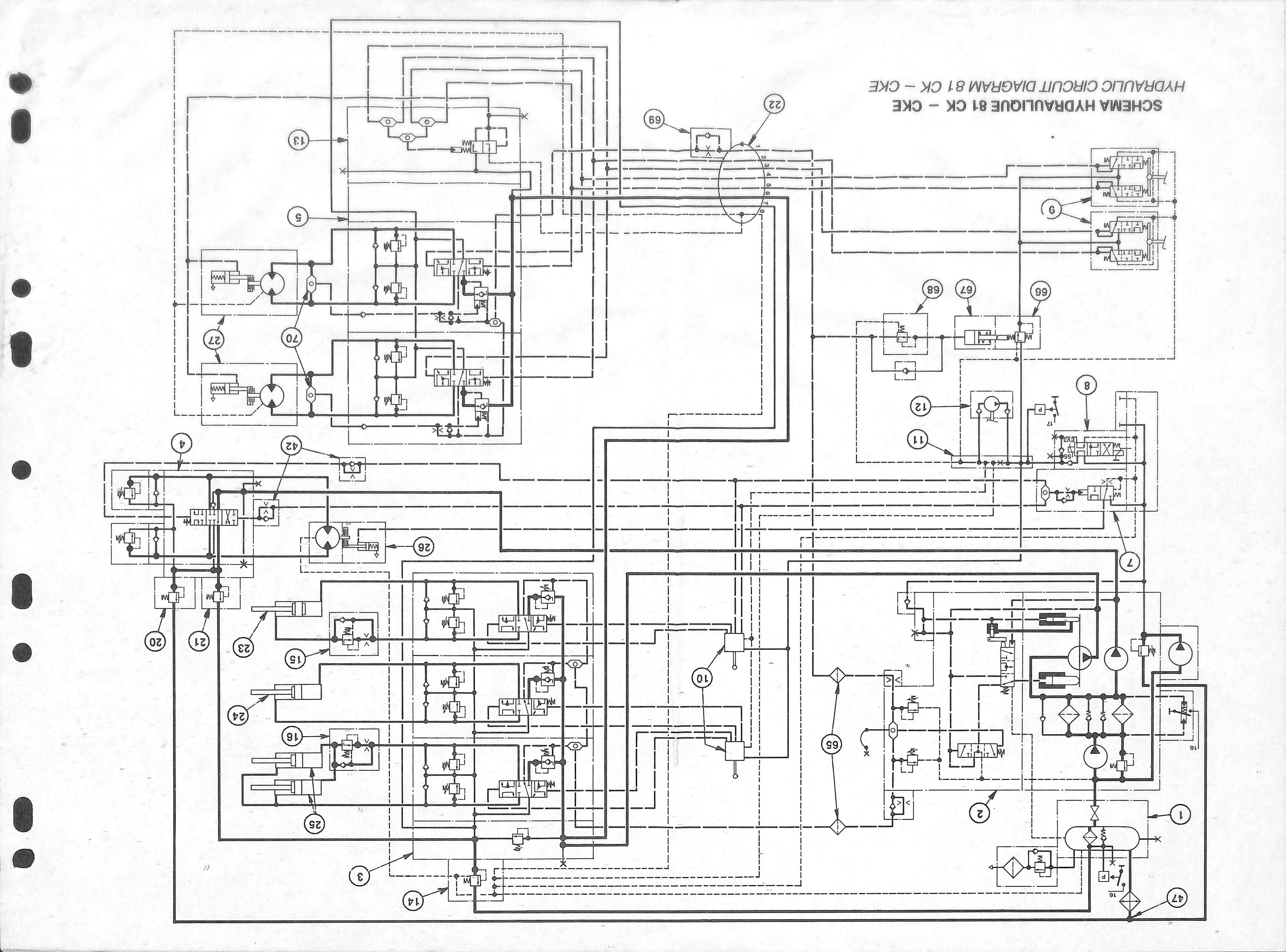
Pression 81 CK
.
- Fichiers joints
-
- CHAPITRE 6 (182).jpg (281.83 Kio) Vu 7146 fois
-
- CHAPITRE 6 (183).jpg (303.69 Kio) Vu 7146 fois
-
- CHAPITRE 6 (184).jpg (356.27 Kio) Vu 7146 fois
-
- CHAPITRE 6 (185).jpg (319.71 Kio) Vu 7146 fois
-
- CHAPITRE 6 (186).jpg (414.41 Kio) Vu 7146 fois
.
- Fichiers joints
-
- CHAPITRE 6 (187).jpg (741.27 Kio) Vu 7145 fois
-
- CHAPITRE 6 (188).jpg (298.08 Kio) Vu 7145 fois
-
- CHAPITRE 6 (189).jpg (252.95 Kio) Vu 7145 fois
-
- CHAPITRE 6 (190).jpg (310.76 Kio) Vu 7145 fois
-
- CHAPITRE 6 (191).jpg (343.12 Kio) Vu 7145 fois
.
- Fichiers joints
-
- CHAPITRE 6 (192).jpg (375.91 Kio) Vu 7144 fois
-
- CHAPITRE 6 (193).jpg (396.77 Kio) Vu 7144 fois
-
- CHAPITRE 6 (194).jpg (377.3 Kio) Vu 7144 fois
-
- CHAPITRE 6 (195).jpg (301.5 Kio) Vu 7144 fois
-
- CHAPITRE 6 (196).jpg (307.48 Kio) Vu 7144 fois
.
- Fichiers joints
-
- CHAPITRE 6 (197).jpg (354.38 Kio) Vu 7139 fois
-
- CHAPITRE 6 (198).jpg (421.39 Kio) Vu 7139 fois
-
- CHAPITRE 6 (199).jpg (282.79 Kio) Vu 7139 fois
-
- CHAPITRE 6 (200).jpg (370.77 Kio) Vu 7139 fois
-
- CHAPITRE 6 (201).jpg (310.5 Kio) Vu 7139 fois
.
- Fichiers joints
-
- CHAPITRE 6 (202).jpg (384.49 Kio) Vu 7136 fois
-
- CHAPITRE 6 (203).jpg (344.39 Kio) Vu 7136 fois
-
- CHAPITRE 6 (204).jpg (312.92 Kio) Vu 7136 fois
-
- CHAPITRE 6 (205).jpg (384.45 Kio) Vu 7136 fois
-
- CHAPITRE 6 (206).jpg (314.6 Kio) Vu 7136 fois
.
- Fichiers joints
-
- CHAPITRE 6 (207).jpg (321.46 Kio) Vu 7135 fois
-
- CHAPITRE 6 (208).jpg (322.49 Kio) Vu 7135 fois
-
- CHAPITRE 6 (209).jpg (228.99 Kio) Vu 7135 fois
-
- CHAPITRE 6 (210).jpg (291.08 Kio) Vu 7135 fois
-
- CHAPITRE 6 (211).jpg (253.61 Kio) Vu 7135 fois
Bonsoir,
Merci beaucoup NIALCOP, pour ce document c'est le seul qui me manque, je n'ai pas de manuel d'atelier, ces pages vont m'être très utiles pour solutionner mes problèmes, encore mille fois merci, je commençais à perdre le moral.
Bonne fin de journée à toi, je ne manquerai pas d'envoyer des photos de la bête au travail.
Bien cordialement.
Merci beaucoup NIALCOP, pour ce document c'est le seul qui me manque, je n'ai pas de manuel d'atelier, ces pages vont m'être très utiles pour solutionner mes problèmes, encore mille fois merci, je commençais à perdre le moral.
Bonne fin de journée à toi, je ne manquerai pas d'envoyer des photos de la bête au travail.
Bien cordialement.
-
- Informations
-
Qui est en ligne
Utilisateurs parcourant ce forum : Aucun utilisateur enregistré et 3 invités

